Не знаете, как правильно подключить переключатель духовки? Наша статья поможет вам разобраться в этом вопросе. Мы предоставляем подробные инструкции и схемы подключения, а также объясняем, как безопасно провести электромонтажные работы. Узнайте, как самостоятельно подключить переключатель духовки и избежать ошибок.
Как подключить переключатель духовки провода
Подключение электроплиты своими руками: схемы подключения в квартире
Электрическая плита – отличный выбор для современной кухни. При условии правильной установки и использования, прибор будет исправно служить долгие годы. Конечно, для подключения электроплиты можно пригласить квалифицированного мастера, но при желании вы можете сделать все собственными силами и хорошенько сэкономить!
Подключение электроплиты своими руками
Ознакомьтесь с основными требованиями к подключению современных электроплит, существующими схемами, а также руководствами по непосредственному монтажу прибора и его заземлению.
Подключение электроплиты своими руками
Требования к электропроводке
Важно! Прежде чем приступать к каким-либо манипуляциям с проводами и электроприборами, отключите подачу электричества на дом или квартиру.
Современные модели электроплит обычно продаются без шнура в комплекте. Этому есть разумное объяснение: техника безопасности требует, чтобы подключение таких приборов выполнялось посредством высококачественных клеммных колодок, т.е. по т.н. безрозеточному методу. При таком варианте соединения можно увеличивать длину питающего шнура, а вместо автомата для более мощных моделей разрешается устанавливать плавкую вставку.
Для подключения нужно использовать кабель сечением от 4 мм 2 , если его длина не превышает 12 м. В случае же применения более длинного провода, минимально допустимое значение сечения увеличивается до 6 мм 2 . При этом обязательно должна быть выполнена установка отдельного автомата конкретно для плиты.
Выбор сечения кабеля
Подключение через розетку также допустимо. Нужно лишь чтобы прибор был рассчитан на ток от 32 А. Электрические плиты потребляют довольно много энергии, поэтому включать их в простые бытовые розетки запрещается.
Варианты исполнения розеток для электроплиты
Таким образом, требования к подключению электроплиты можно объединить в короткий, но очень важный перечень, включающий в себя следующие положения:
- для подключения прибора используется трехжильный медный кабель сечением от 4 мм 2 либо от 6 мм 2 в зависимости от длины шнура;
- в электрощите устанавливается отдельный автомат для плиты;
- выполняется монтаж устройства защитного отключения;
- плита заземляется доступным методом. О возможных вариантах заземления будет рассказано в конце руководства.
Цены на популярные электрические кухонные плиты
Схемы подключения электроплит
Прежде чем приступать к непосредственной установке прибора, изучите существующие схемы подключения прибора.
Однофазное подключение
Наиболее распространенный вариант. Чаще всего встречается в квартирах многоэтажных домов.
При однофазном подсоединении блок подключения будет иметь следующий вид (см. схему).
Однофазное подключение
Клеммы 1-2-3, а также 4-5 соединяются перемычками из меди сечением 6 мм 2 . Если вы купили современную плиту, необходимые перемычки будут присутствовать в комплекте.
Фазная жила (может быть серой, коричневой либо черной) подключается на клемму под номером 1, 2 либо 3.
Нулевая жила (обычно имеет синий цвет) подсоединяется на 4-ю либо 5-ю клемму. Провод заземления (на схеме он желто-зеленый) соединяется с 6-й клеммой.
Болты клемм нужно затягивать до упора. В случае некачественного соединения клеммы могут обгореть, что приведет к возникновению пожара.
В случае использования розеточного подключения фазную жилу в вилке и розетке подаем на клемму L, нулевая жила пойдет на клемму с маркировкой N, провод же заземления пускаем на соответствующую клемму (маркируется рисунком заземления, буквами РЕ либо же словом earth).
Двухфазное подключение
Редко, но все-таки встречается двухфазное подключение. К примеру, могут присутствовать фазы А и С, а фазы В не будет.
При таком подключении клеммы 1 и 2 нужно соединить перемычкой и через нее подключить фазу А. Фаза же С уходит на 3-ю клемму. Дальнейший порядок подключения остается аналогичным предыдущим способам.
Трехфазное подключение
С трехфазным питанием чаще всего сталкиваются владельцы частных домов. Питающий провод в подобной ситуации будет состоять из 4 либо 5 жил. При этом напряжение между нулем и фазами составит 220 В, а между непосредственно фазами – 380 В.
В подобных условиях электроплита будет подключаться по соответствующей схеме. Фазы А, В и С пойдут на соответствующие клеммы 1, 2 и 3.
Соединение клемм 4, 5 и 6 выполняется аналогично однофазному подключению.
Подключаем электроплиту
Порядок подключения остается аналогичным для сетей с любым количеством фаз. Есть лишь некоторые нюансы, о которых вы узнаете далее. Подключение будем выполнять через розетку.
Первый шаг
Выбираем место для установки прибора. Электроплита классифицируется как электроприемник высокой мощности. Для обеспечения его надежной и безопасной эксплуатации, на ближайшей к плите стене мы устанавливаем штепсельную розетку с заземляющим контактом. При этом токовый номинал розетки должен составлять 32-40 А. В розетке для однофазной электросети контактов будет три, для двух- и трехфазных сетей – пять.
Розетка
Второй шаг
Устанавливаем в щите отдельный автоматический выключатель. Если сеть двух- или трехфазная, ставим трехполосный выключатель на 16 А. В случае работы в однофазной сети монтируем однополосный автомат. Номинал выключателя должен составлять 25-32 А.
Однофазное подключение электроплиты (наиболее распространенное)
Третий шаг
Монтируем провод для подключения электроплиты. В двух- и трехфазных сетях используем кабель 5х2,5 марки ВВГнг, для подключения в однофазном режиме применяем шнур 3х4 аналогичной марки. Тянем провод от электрощита к штепсельной розетке нашей электроплиты.
Кабель силовой ВВГнг 5х2,5
Четвертый шаг
Подключаем провод к розетке в соответствии с одной из приведенных выше схем. Закрываем крышку розетки. Работаем очень внимательно, соблюдая установленные стандарты. Если подключение выполняется с использованием трехжильного кабеля, то коричневый провод (также он может иметь белый цвет) подключаем на фазный разъем установленной электророзетки, синий провод (может быть белым с синей полоской) пускаем на разъем «ноля», а жилу желто-зеленого цвета соединяем с разъемом заземления. Провода пятижильного кабеля чаще всего окрашены в коричневый, белый и красный цвета. Порядок их подключения, равно как и особенности маркировки разъемов розеток, был рассмотрен ранее в описании схем.
Пятый шаг
Соединяем штепсельную вилку с гибким проводом электроплиты. При этом обязательно обращаем внимание на особенности маркировки штепсельной вилки. Подключение элемента выполняется аналогично электророзетке.
Шестой шаг
Подсоединяем гибкий провод к плите. На данном этапе многое зависит от модели устанавливаемого прибора и количества фаз в домашней электросети. В целом же производители приводят схемы подключения их плит в прилагающихся инструкциях либо же на задних крышках агрегатов. Следуем предложенным производителем рекомендациям.
Концы гибкого провода рекомендуется облудить перед установкой в клеммные зажимы – так будет обеспечен максимально надежный контакт.
Седьмой шаг
Разделяем питающий кабель электроплиты в щите, после чего зачищаем концы проводов. Подключаем фазные жилы питающего кабеля на полосные зажимы автомата. Жилу «ноля» соединяем с общей шиной для всех проводников ноля. Не подключенной осталась лишь желто-зеленая жила. В современных системах такие провода соединяются с шинами заземления. В более старых сетях типа TN-C шин заземления нет. Что делать? Читаем далее.
Расстановка перемычек в электроплите Ханса
Руководство по заземлению электроплиты
При работе в сетях старого образца даже квалифицированные специалисты нередко осознанно совершают грубую ошибку, выполняя заземление различных электроприборов на шины рабочего нуля. Такое подсоединение чревато крайне неблагоприятным последствием: если провод ноля оборвется, фаза пройдет через нагрузку прямиком на электроприбор и пользователя ударит током.
Нередко электрики допускают и другую грубую ошибку, путая местами провода фазы и ноля. При выполнении такого «заземления» результат будет аналогичным предыдущему случаю – владельца плиты может ударить током в любой момент. Но и отказываться от зануления тоже нельзя. Существует несколько вариантов решения проблемы. Ознакомьтесь с доступными методами и выберите подходящий для вашей ситуации.
Первый вариант – узнаем, заземлен ли щит квартиры
Для этого идем в ЖЭК или другую обслуживающую организацию. Если представитель компании скажет, что корпус щита надежно заземлен, нам останется лишь подключить желто-зеленый провод к этому корпусу через болт.
Если же представитель обслуживающей организации дает отрицательный ответ либо же путается в своих показаниях, выполнять заземление описанным выше способом нельзя – оно будет либо неэффективным, либо приведет к удару пользователя электроплиты током.
Второй вариант – для жильцов квартир на первом этаже и владельцев домов
Собственники такой недвижимости могут попробовать создать отдельный заземляющий контур. Делается он так:
- за наружной стеной строения в грунт вкапываются стальные пруты диаметром от 16 мм и длиной от 250 см в количестве трех штук;
- вкопанные пруты соединяются полосой стали шириной 4 см и толщиной 0,5 см;
- из электрического щита выводится заземляющий (желто-зеленый) провод, предварительно оконцованный наконечником;
- от заземляющего контура вверх к проводу заземления протягивается проволока-катанка. Рекомендованный диаметр такой проволоки — 0,8 см. На конце катанки предварительно приваривается стальная пластинка с отверстием для болта. Кабель заземления при помощи болта скрепляется с пластиной катанки на высоте минимум 250 см от уровня земли;
- кабель заземления подсоединяется к отдельной нулевой шине в щите. К этой же шине подключается заземляющий провод от установленной плиты.
Как правильно сделать заземление
Как сделать заземление
Важно! Прежде чем принимать заземляющее устройство в эксплуатацию, нужно пригласить специалиста для измерения сопротивления установки. Выполнить такую поверку самостоятельно можно только при наличии специального устройства. Значение сопротивления не должно быть больше 8 Ом.
Таблица. Наименьшие размеры заземлителей и заземляющих проводников, проложенных в земле
Подключение электроплиты своими руками: правила, способы подсоединения, схемы подключения в зависимости от количества фаз
Подключение электроплиты своими руками не такой сложный процесс как многие думают. Подробно ознакомившись с руководством изготовителя, практически любой пользователь сможет выполнить все процессы самостоятельно. Такой подход позволит сэкономить приличные деньги. Ведь сервисные компании, предоставляющие подобную услугу, в большинстве случаев взимают завышенную плату. В некоторых случаях, когда комплект для подключения полный, на такие работы уходит 15-20 минут.
Начиная электромонтажные работы, пользователь должен помнить, что электричество небезопасно. Все монтажные процессы необходимо проводить при отключенном электропитании. Прежде, чем начать работу с розеткой с нее необходимо снять напряжение. Затем убедиться в его отсутствии с помощью индикатора или тестера. Первый вариант не требует особых знаний. Специальную отвертку вставляют рабочей поверхностью в одно из входного отверстия розетки и по загоранию индикаторной лампочки определяют фазу.
Промышленность выпускает разнообразные модели электроплит и их подключение может отличаться. В некоторых случаях потребуются дополнительные расходные материалы. Перед подключением нужно ознакомиться с имеющейся комплектацией, приобрести недостающие электродетали, кабели, подготовить инструмент. Некоторые пользователи даже не заглядывают в инструкции по эксплуатации. Но необходимо помнить, что при поломке электроплиты вследствие незнания правил эксплуатации теряется гарантия.
Для правильного подключения своими руками потребуется электроинструмент. В случаях, когда его нет, то можно одолжить у соседа или купить. Набор немногочисленный и всегда будет востребован при выполнении мелких ремонтных работ. Не вызывать же мастера для поджатия одного шурупа, гайки или болта. Эти моменты будут периодически возникать при эксплуатации любых электроприборов. Такие неисправности устраняются в течении минуты. А вот за вызов мастера придется облегчить домашний бюджет на несколько сотен рублей.
Правила электробезопасности
Электричество не только предоставляет комфорт в жизнедеятельности человека, обеспечивает работу электрооборудования и устройств. Оно также представляет опасность для человека. При несоблюдении правил электробезопасности оно может нанести вред здоровью. Требования, правила, нормы подключения, эксплуатации электрической плиты всегда указывается производителем в руководстве к каждой выпускаемой промышленностью модели. Пользователь приобретающий оборудование в торговой точке должен убедится в его исправной работе прямо в магазине. На это потребуется несколько минут, но зато все неприятности можно в дальнейшем исключить.
Приняв решение самостоятельно подключить электроплиту не спешите, подробно ознакомьтесь с руководством. Главное правило – не проводить работы с электросетью, находящейся под напряжением. Отключение ее производится автоматами, которые установлены работниками электроцентрали, поставляющей электричество потребителям. Находятся они в электросчетчике. Доступ к ним свободен. Их количество в зависимости от подаваемого к потребителю напряжения, 220 или 380 В. При однофазном подключении автомат может быть один. Трехфазный вариант предусматривает три устройства, по одному на каждую фазу.
Электросчетчики опечатываются и другой доступ к ним запрещен. Установка, замена, ремонт таких устройств строго регламентирована и выполняют их только лицензированные организации, сертифицированные специалисты. А вот снять напряжение в электросети обеспечивающей снабжение электропитанием в частном доме, квартире может владелец и лица, проживающие с ним. Отключив автоматы на электросчетчике необходимо убедится при помощи индикатора в отсутствии напряжения в месте работы. Лишь после этого приступать к подсоединению розетки для электроплиты.
С чего начать
При полной комплектации, электроплиты с подключенным кабелем, вилкой соответствующей розетке, пользователю остается лишь их вставить друг в друга. После этого оборудование готово к использованию. Но, так случается, когда строители уже установили розетку, а имеющаяся у плиты вилка составит ей пару. На практике, особенно при замене плиты на модель другого производителя, приходится выполнять электромонтажные работы.
В простых случаях понадобится следующий инструмент:
- Отвертка крестовая
- Пассатижи
- Индикаторная отвертка или тестер
- Кусачки
- Плоская отвертка
Этого набора достаточно, чтобы подключить провод к вилке и панели на электроплите, а розетку подсоединить к электросети. Из комплектующих могут понадобится, если не поставляются производителем, сопряженная пара розетка-вилка, кабель. На корпусах изделий находится маркировка. Подключение жил кабеля производится в соответствии с обозначениями. Где находится «ноль», «фаза» в розетке определяется индикатором. Загорание в нем сигнальной лампочки свидетельствует, что провод фазный, а отсутствие свечения – нулевой. Заземляющий провод подсоединяется к клемме, которая находится вверху или внизу розетки, вилки. Перепутать его сложно, практически во всех розетках он выделяется своим расположением.
Основные особенности
Производить подсоединение электроплиты необходимо в соответствии с руководством предоставленным заводом-изготовителем. В инструкции имеется схема по которой подключаются жилы кабеля. Каждая из них имеет свои отличительные цвета. Изоляция жилы также может быть полностью одного цвета с проходящей вдоль всего провода отличительной полосой. При наличии кабеля в комплекте с электроплитой маркировка и подключение описаны в руководстве. Пользователю остается лишь подсоединить соответствующие провода к вилке и на панели задней крышки прибора.
Большинство производителей электрооборудования ставят маркировку, поэтому достаточно сложно перепутать схему подключения. На панели подключения кабеля к электроплите имеется колодка в которую необходимо вставить кабель и закрепить. После этого если заводской кабель имеет клеммы их подключают согласно схеме. Встречаются случаи, когда кабель не входит в комплектацию электроплиты. Его предлагают продавцы приобрести отдельно. Стоимость достаточно высокая, дешевле приобрести в магазине электротоваров.
Параметры кабеля
Для подсоединения к плите подойдут кабель КГ или провод ПВС с медными жилами. Длину подбирает пользователь в зависимости размещения прибора. Если непосредственно у розетки, то 1,5 метра будет достаточно. В других случаях длина определяется расстоянием до розетки. Провод виниловый соединительный (ПВС) или кабель гибкий (КГ) не имеет значения. Оба варианта будут удобны, так как изделия имеют медные жилы, обладают хорошей гибкостью.
Обратите внимание при покупке кабеля на количество жил и какие они. Для неподготовленных пользователей работать с многопрядными жилами немного сложнее. Удобнее приобретать провод с цельной жилой.
Важным параметром является сечение жил. При его выборе руководствуются мощностью электроплиты.
- 3 кВт сечение не менее 1,5 мм
- 5 кВт – 2,5 мм
- до 7,5 кВт – 4,0 мм
- при 10 кВт не менее 6мм
Такие характеристики кабеля (трехжильный) должны быть при однофазном подключении. Для трехфазного варианта потребуется электрокабель пятижильный с сечением 1,5 мм при мощности оборудования не более 5 кВт и 2,5 мм до 10 кВт. В двухфазных схемах применяется четырех жильный кабель. Воспользоваться лучше проводами с сечениями жил на единицу выше расчетных. Возможно дома имеется подходящий кабель, но потребитель не знает его сечение. Замерив диаметр микрометром можно определить параметр по формуле S = 0.785D², где D – диаметр жилы.
Дополнительные комплектующие
Если необходимо приобретать к электроплите провод, то соответственно в комплекте может отсутствовать вилка. Лучший вариант при старой розетке, прослужившей длительный срок или ее отсутствии приобрести их сразу в паре с вилкой. Но можно подобрать вариант и к уже установленной. Также потребуются наконечники для жил или клеммы в зависимости от находящихся на панели плиты контактов.
Обратите внимание и на наличие перемычек в нужном количестве. Они показаны на схеме подключения кабеля к электроплите. Их можно купить или сделать самостоятельно из соответствующих по размерам кусочков медных жил. При самодельном варианте, когда перемычки полностью освобождаются от изоляции, необходимо убедиться, что они не касаются корпуса плиты. Многие электрики освобождают перемычки от оплетки только на величину контакта для подключения.
Подготовка кабеля к подключению
В случаях, когда кабель новый необходимо подготовить его для подключения. С обеих концов провода с жил снимается изоляция. Длина оголенной части выбирается в зависимости от того, каким будет подключение. При подсоединении клемм снимется изоляция на расстояние, соответствующее надевающейся узкой части клеммы. После одевания клеммы на жилу производится обжатие пассатижами.
Отсутствие заводских клемм можно заменить одним из способов подготовки жил – изготовление самодельной клеммы скруткой или загибанием жилы. При наличии паяльника, олова, припоя производят лужение подготовленных к подключению жил. Делается это для улучшения контакта в месте подсоединения. Такой вариант более надежный и прослужит дольше.
Клеммные панели
Колодки с клеммами, расположенные на задней крышке корпуса электроплиты, у каждого производителя свои. Различия незначительные, заключаются в технологии подключения кабельных жил. Общее на практически всех панелях это наличие планки для фиксации кабеля. Выполнены они могут пластмассовыми или из металла. Откручиваем винт с одной стороны, а с другой его немного приотдаем парой поворотов отвертки. Заводим в гнездо кабель с изоляцией. Регулируем необходимую для подключения длину и производим крепление колодки винтами. Сначала закручиваем отданный болтик, а затем поджимаем второй. Произведя надежное крепление можно заняться подключением жил. Вот тут и проявляются особенности. Нужно каждую жилу подготовить для подсоединения.
При полной комплектации все имеется в наличии остается только подсоединить. При подключении нового провода выбираем вид соединения в соответствии с предложенным на колодке. Для клемм «папа-мама» на жилы подсоединяем нужный вариант. При креплении контактов болтами обжимаем жилы клеммой с отверстием, его диаметр должен быть немного больше диаметра болта. В случае отсутствия такого комплектующего подключение можно выполнить, сделав кольцо из жилы. Если есть возможность, то производим лужение подготовленного к подключению провода. При отсутствии паяльника необходимо выполнить качественную скрутку и можно подсоединять.
Для чего делается лужение
При подключении электроплиты, когда отсутствуют комплектующие, а до магазина несколько часов можно подготовить жилы самостоятельно. Конечно их можно подключить и без подготовки. Но лучше этого не делать. Качество контакта неподготовленной жилы невысокое. Клеммы продаются в комплекте и по отдельности, стоимость их доступна всем. А подсоединить их совсем уж просто. Но при наличии дома паяльника можно жилы подготовить более качественно. При штыревом подключении оголенную часть жилы покрывают припоем. А затем вставляют в гнездо на колодке и зажимают при помощи отвертки.
Качественное соединение контактов увеличивает надежность электроплиты и период ее эксплуатациии.
В случае болтового соединения оголенную жилу раздваивают на равные части. Производят скрутку каждой части и делают пару оборотов их общей скрутки. Затем в подготовленное место вставляют отвертку или другую деталь с диаметром немного больше чем у крепежного болта и производят еще одну скрутку. Кусачками удаляют лишнюю длину. Получившиеся кольцо обрабатывают паяльником при помощи припоя. В итоге получается луженная клемма. Последовательно обрабатывают все жилы. Такой контакт надежный и прослужит многие годы.
Подключение к электросети
Электроплиту подключают к сети в зависимости от количества фаз в розетке. На задней панели корпуса в большинстве моделей находится приклеенный шильдик со схемами. В некоторых они выгравированы. При отсутствии схем на самой электроплите последовательность подключения указывается в руководстве, предоставляемом пользователю заводом-изготовителем.
- N1 – однофазное
- N2 – двухфазное
- N3 – трехфазное
Подключение к однофазной электросети производится с установкой между фазами L1 и L2, L2 и L3 перемычек. Прилагаются в комплекте или можно изготовить самостоятельно. Перемычка также ставиться между клеммами 4 и 5 к которой подключается нейтраль N (нулевой провод). Заземлениеподсоединяется к клемме PE. Розетки и вилки имеют три входа и выхода. Кабель подключается трехжильный – фаза, ноль, заземление.
В одно-, двухфазных схемах подключения не забываем правильно располагать перемычки между фазами.
В некоторых электросетях в помещения подается две фазы. Подсоединение электроплиты к двухфазной сети производится через пару розетка-вилка с четырьмя выходами и четырехжильный кабель: две фазы, ноль, земля. На панели подключения провода к плите перемычки устанавливается только между клеммами L2 и L3, 4 и 5. К L1 и L3 подсоединяют по одной фазе. Ноль подключается к клемме 5. Заземление подводится к точке, обозначенной PE или значком заземления.
В частных домах нередко электропитание подводится трехфазной сетью в 380V. Подключение к ним электроплиты производится через розетку-вилку с пятью входами/выходами. Для этого используется пятижильный кабель. Три жилы подключаются по одной к каждой фазе L1, L2, L3, одна идет на нейтраль N. Пятая жила предназначена к подключению заземления через клемму PE.
Отличие различных панелей подключения кабеля к электроплите интуитивно понятны на схемах. Обозначений может иногда не быть. Особенно у дешевых плит китайского происхождения. Хотя требования к поставкам электротоваров ежегодно возрастают, все же случается, что на рынке можно встретить подделки под известные бренды. Отличить их несложно по массе нестыковок в инструкции с шильдиком на плите и панельной колодкой. Нестыковки в схемах, отсутствие комплектующих сигнал, предупреждающий о некачественном электроустройстве. Приобретая такую плиту, пользователь рискует встретиться с массой несоответствий в схемах подключения не только кабеля к плите.
Все внутренние электрокоммуникации могут иметь от простого не подключения проводов к нужной клемме до неправильного их подключения от колодки. Такие электроплиты опасно подключать самостоятельно. Проверять товара нужно в торговой точке. Сделать этом продавцы могут даже без подключения к сети при помощи тестера.
Подключение электроплит hansa, electrolux, bosch, zanussi и других
Электроплиты уже давно вошли в наш обиход, но, к сожалению, далеко не все знают, как их подключать.Итак, если Вы приобрели одну из таких плит и собираетесь самостоятельно ее подключить, данная статья вам в этом поможет. В ней мы, пошагово, постараемся объяснить, как это сделать грамотно, а главное безопасно!
Так же стоит отметить, что хоть электроплиты и считаются бытовыми, но потребляют достаточно большую мощность — это стоит учитывать как при монтаже, так и при дальнейшей эксплуатации нагревательных электроприборов в быту.
Перед установкой, внимательно ознакомьтесь с содержанием инструкции по монтажу. Если какие-то пункты вызвали у вас сомнение, то лучше доверить монтаж квалифицированному электрику. Помните, что гарантия завода производителя не распространяется в случае подключения электроплиты с нарушением правил и норм по монтажу электрооборудования.
Предлагаем рассмотреть, как правильно выбрать комплектующие для монтажа: кабель, вилку, розетку, автоматический выключатель. Подключить электроплиту и духовой шкаф к однофазной, двухфазной, трехфазной сети электропитания напряжением 220 и 380 Вольт своими руками.
Самостоятельное подключение электрической плиты
Перед тем как начать любые работы по подключению к сети электрического оборудования, нужно тщательно изучить технический паспорт изделия, который должен обязательно прилагаться, а также ознакомиться с такими нормативными документами как ПУЭ 7 издания и ПТЭЭП.
Пошаговая инструкция подключения электроплит electrolux ekc (электролюкс), zanussi (занусси), hansa (ханса), gorenje (горение), bosch (бош), ariston (аристон), beko (веко), hotpoint, indesit (индезит), greta, kaiser (кайзер), aeg, норд эп, самсунг к электросети:
Шаг 1 — Кабели питания, автоматический выключатель и УЗО
Подвод питания электроплиты должен осуществляться независимым кабелем, идущим напрямую в распределительный щит квартиры. Для прокладки кабеля от щита к розетке, можно использовать кабеля марок: ВВГ; ВВГ-нг; ПВС; ШВВП. А от розетки к плите, лучше подключить многожильными проводами, например ПВС или КГ, которые более устойчивые к излому при многократном изгибе во время эксплуатации.
Сечение кабеля зависит он напряжение сети, количества фаз и потребляемой мощности. Зная эти параметры, можно подобрать подходящий кабель из таблицы. Сечение проводников лучше брать с запасом на один порядок больше.
Таблица: подбор сечения кабеля
Подключение должно осуществляться от отдельного автоматического выключателя. Номинальный ток автомата должен быть выше на один номинал, чем ток потребления электроплиты.
Все характеристики электроплиты можно найти в технической документации которая прилагается при покупке, так же их указывают на корпусе. Время-токовая характеристика автоматического выключателя должна быть группы С.
Так же желательно установить и устройство защитного отключения (УЗО), которое обезопасит человека от поражения электрическим током, при случайном прикосновении к неисправному оборудованию. УЗО устанавливается рядом с автоматическим выключателем, и подключается после него. Его номинал должен быть на порядок меньше, чем автомат. Ток утечки на землю не более 30 мА. Все винтовые зажимы должны быть тщательно зажаты, так как через них будет проходить большой ток.
Шаг 2 — Установка розетки
Далеко не в каждой квартире, на кухне есть силовая розетка, предназначенная для подключения мощной техники, потребляющей более 3 кВт. Обычно это однофазная силовая розетка, которая рассчитана на номинальный ток 32 А или 40 А.
Предлагаем рассмотреть, как правильно выбрать и установить розетку для электрической плиты:
- Розетка должна быть выполнена из качественных материалов, и обеспечивать надежный электрический контакт.
- Количество контактов должно соответствовать количеству жил проводов. Запрещается соединять провода вместе, подключая их к одному контакту.
- Для подключения розетки используйте только медный кабель.
- Сечение кабеля должно соответствовать таблице приведенной выше.
- Розетка устанавливается на ровную, не горючую поверхность.
- Если у вас кирпичная стена, накладную розетку желательно установить на специальную подкладку, это не даст основанию розетки треснуть при монтаже.
- Не устанавливайте розетку слишком близко к горячим поверхностям, рукомойникам, железным трубам, оконным и дверным проемам.
- При замене старой розетке, убедитесь что изоляция проводов не повреждена и нет следов перегрева кабеля.
- Цвета проводов должны совпадать назначению проводов, как в розетке, так и в вилке.
- Все винтовые зажимы должны быть закреплены должным образом. Многожильные провода следует предварительно пропаять паяльником, в месте их крепления к контактам розетки.
- После установки розетки, убедитесь в правильности подключения проводов. С помощью мультиметра проверьте отсутствия короткого замыкания.
Включите автоматический выключатель в распределительном щите квартиры. Мультиметром проверьте наличие напряжения на фазных контактах розетки.
Шаг 3 — Откройте заднюю панель плиты
Для подключения кабеля к электроплите, на задней ее стороне нужно найти и открутить небольшую крышку, которая закрывает клеммы для проводов.
Задняя стенка бытовой плиты
Шаг 4 – Крепление кабеля
После того как вы сняли крышку нужно закрепить кабель. Это делается для того что бы избежать случайного выдергивание кабеля из плиты. Вставьте кабель и закрепите его на корпусе плиты в специальном зажиме.
Отверстие под проводку кабеля ЗВИ
Шаг 5 – Установка медных перемычек
В зависимости от количество фаз питания, подключение проводов осуществляется по-разному. Что бы правильно согласовать подключение плиты к различным сетям питания, в комплекте с клеммной колодкой, идут специальные медные перемычки. Согласно выбранной Вами схемы, установите перемычки в колодку и затяните винты, где не будут подключаться провода.
Подключение проводов к бытовой плите
Шаг 6 — Подключите провода
Очень важно правильно подключить провода на клеммной колодке! В документации и зачастую на самом корпусе, возле крышки, есть схема подключения с различными видами питающей сети. Согласно схеме, которая подходит в вашем случае, подключите провода к клеммам. Цвет проводов должен соответствовать подключению в вилке и розетке. Первым подключает провод заземления — желто-зеленый, затем нейтральный провод — синий. Затем фазные провода, коричневый и два черных. Здесь главное ничего не напутать, чтобы не вывести оборудования из строя.
Перемычкой соединияем изолированную нейтраль и заземление
Шаг 7 – Закрытие панели
После подключения всех проводов, еще раз проверьте схему подключения, убедитесь, что нет ошибок. Хорошо подтяните зажимные винты. Но помните: во всех плитах разъем выполнены из хрупкого материла, не применяйте больших усилий, иначе Вы можете повредить его. Теперь можно закрыть крышку и завинтить болты крепления.
Итоговое подключение проводов к бытовой электроплите
Шаг 8 – подключение к сети
Перед подключением печи к сети, убедитесь, что схема собрана правильно, все токоведущие части закрыты. Включите автомат и УЗО, проверьте наличие напряжение в розетке. Включите электроплиту в сеть. Согласно инструкции, убедитесь в правильности работы всех ее функций.
Видео: видео-инструкция по подключению электроплиты
Подключение плиты в однофазной сети
В отличие от частного дома или производственного предприятия, в квартире нет возможности подключить электроплиту к трехфазной сети. Поэтому мы будем рассматривать однофазное подключение, используемое квартирах. Большинство плит имеют следующие клеммы для подключения проводов: L1; L2; L3; N1; N2; и заземляющий контакт.
Для подключения такой электроплиты в домашнюю однофазную сеть 220 В необходимо:
- поставить перемычку между клеммами L1 и L2, L2 и L3,
- подключить к L2 фазный провод — коричневого цвета;
- оставить перемычку между клеммами N1 и N2;
- подключить к N2 нейтральный провод — синего цвета;
- к заземляющему контакту, отмеченному специальным значком, подключить провод заземления — желто-зеленого цвета.
Количество и название клемм может отличаться, уточняйте эти данные в документацию на прибор.
Однофазная схема подключения электрической плиты
Подборка видео-руководств по теме:
https://www.youtube.com/watch?v=nP2fLbOR6FI
Как подключить переключатель духовки провода
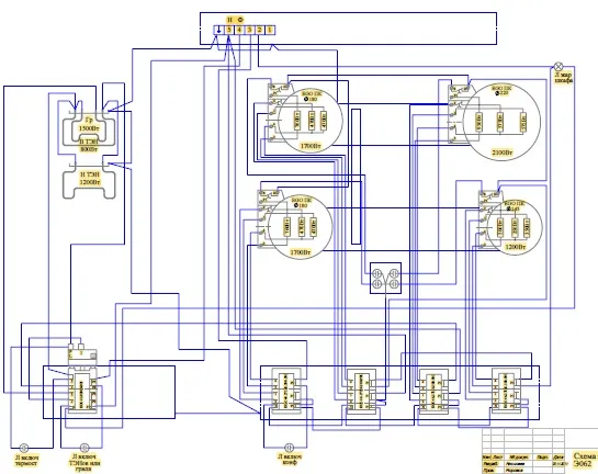
Схемы для электрических и электрогазовых плит Ново-Вятка, Электра, Rika(Рика)
(Часто запрашиваемые электрические схемы устройств. Для других моделей по запросу servis@rikakirov.ru или написать в форме заказа “Запрос схемы плиты” в конце этой страницы)

скачать электрическую схему для моделей: Нововятка ЭКС, Нововятка Классик
Электрическая схема плиты Нововятка ЭКС (. Скачать схему. )
Электрическая схема плиты Нововятка Классик (. Скачать схему. )

Электрическая схема подключения плиты Ново-Вятка Классик для следующих деталей:
1) Подключение переключателя мощности ПМ3 для духовки электрической плиты Ново-Вятка Классик /. купить переключатель ПМ3 Ново-Вятка Классик . /
2) Подключение переключателя мощности ПМ7 для конфорки электроплиты Ново-Вятка Классик /. купить переключатель ПМ7 (856) Ново-Вятка Классик . /
3) Подключение КОНФОРОК для электрической плиты Ново-Вятка Классик /. купить КОНФОРКИ Ново-Вятка Классик. /
4) Подключение ТЭНа верхнего с грилем для электроплиты Ново-Вятка Классик /. купить ТЭН верхний с грилем Ново-Вятка Классик. /
5) Подключение ТЭНа нижнего standart для электрической плиты Ново-Вятка Классик /. купить ТЭН нижнего Ново-Вятка Классик. /
6) Подключение терморегулятора духового шкафа для электроплиты Ново-Вятка Классик /. купить терморегулятор духового шкафа Ново-Вятка Классик. /
7) Подключение светосигнальной арматуры для электрической плиты Ново-Вятка Классик /. купить светосигнальную арматуру Ново-Вятка Классик. /

скачать электрическую схему для моделей: Нововятка “Мастерица”
Электрическая схема плиты Нововятка “Мастерица” модель 120, 160, 188 (. Скачать схему. )

скачать электрическую схему для моделей: Электра 1001 М, Электра 1001, Электра 1002
Электрическая схема Электра 1001 М (. Скачать схему. )

ПОДРОБНЕЕ: Устройство, инструкция, схема монтажная, схема подключения электроплиты “Электра 1001М”
Электрическая схема Электра 1001 (. Скачать схему. )

ПОДРОБНЕЕ: Устройство, инструкция, схема монтажная, схема подключения электроплиты “Электра 1002”
Электрическая схема Электра 1002 (. Скачать схему. )

ПОДРОБНЕЕ: Устройство, инструкция, схема монтажная, схема подключения электроплиты “Электра 1006”

скачать электрическую схему для моделей: Rika (Рика) С 007, Rika (Рика) С 010, Rika (Рика) Э061, Rika (Рика) Э062, Rika (Рика) Э063
Электрическая схема плиты Rika (Рика) С007 (. Скачать схему. )

Электрическая схема подключения для электрической плиты Rika (Рика) С 007 следующих деталей:
1) Подключение переключателя мощности ПМ3(887) для духовки электрической плиты Rika (Рика) С007 /. купить переключатель ПМ3(887) Rika (Рика) С 007. /
2) Подключение переключателя мощности ПМ7 (856) для конфорки электрической плиты Rika (Рика) С 007 /. купить переключатель ПМ7 (856) (Рика) С 007. /
3) Подключение КОНФОРКИ ф 180 1.5/220 с кольцом для электрической плиты Rika (Рика) С 007 /. купить КОНФОРКУ ф 180 1.5/220 Rika (Рика) С 007. /
4) Подключение КОНФОРКИ ф 145 1.0/220 с кольцом для электрической плиты Rika (Рика) С 007 /. купить КОНФОРКУ ф 145 1.0/220 Rika (Рика) С 007. /
5) Подключение ТЭНа верхнего для электрической плиты Rika (Рика) С 007 /. купить ТЭН верхнего Rika (Рика) С 007. /
6) Подключение ТЭНа нижнего standart для электрической плиты Rika (Рика) С 007 /. купить ТЭН нижнего standart Rika (Рика) С 007. /
7) Подключение терморегулятора духового шкафа для электрической плиты Rika (Рика) С 007 /. купить терморегулятор духового шкафа Rika (Рика) С 007. /
8) Подключение светосигнальной арматуры для электрической плиты Rika (Рика) С 007 /. купить светосигнальную арматуру Rika (Рика) С 007. /
9) Подключение лампы в сборе для электрической плиты Rika (Рика) С 007 /. купить Лампу в сборе Rika (Рика) С 007. /
Электрическая схема плиты Rika (Рика) С010 (. Скачать схему. )
Электрическая схема подключения для электрической плиты Rika (Рика) С 010 следующих деталей:
1) Подключение переключателя мощности ПМ3(887) для духовки электрической плиты Rika (Рика) С010 /. купить переключатель ПМ3(887) Rika (Рика) С 010. /
2) Подключение переключателя мощности ПМ7 (856) для конфорки электрической плиты Rika (Рика) С 010 /. купить переключатель ПМ7 (856) (Рика) С 010. /
3) Подключение КОНФОРКИ ф 220 2.0/220 с кольцом для электрической плиты Rika (Рика) С 010 /. купить КОНФОРКУ ф 220 2.0/220 Rika (Рика) С 010. /
4) Подключение КОНФОРКИ ф 180 1.5/220 с кольцом для электрической плиты Rika (Рика) С 010 /. купить КОНФОРКУ ф 180 1.5/220 Rika (Рика) С 010. /
5) Подключение КОНФОРКИ ф 145 1.0/220 с кольцом для электрической плиты Rika (Рика) С 010 /. купить КОНФОРКУ ф 145 1.0/220 Rika (Рика) С 010. /
6) Подключение ТЭНа верхнего для электрической плиты Rika (Рика) С 010 /. купить ТЭН верхнего Rika (Рика) С 010. /
7) Подключение ТЭНа нижнего standart для электрической плиты Rika (Рика) С 010 /. купить ТЭН нижнего standart Rika (Рика) С 010. /
8) Подключение терморегулятора духового шкафа для электрической плиты Rika (Рика) С 010 /. купить терморегулятор духового шкафа Rika (Рика) С 010. /
9) Подключение светосигнальной арматуры для электрической плиты Rika (Рика) С 010 /. купить светосигнальную арматуру Rika (Рика) С 010. /
10) Подключение лампы в сборе для электрической плиты Rika (Рика) С 010 /. купить Лампу в сборе Rika (Рика) С 010. /


Электрическая схема плиты Rika (Рика) Э063 (. Скачать схему. )

Электрическая схема электрической плиты Rika (Рика) П108 (. Скачать схему. )


скачать электрическую схему для моделей: Rika (Рика) М026, Rika (Рика) М188
Электрическая схема газоэлектрической плиты Rika (Рика) М026 (. Скачать схему. )

Электрическая схема подключения для электрогазовой плиты Rika (Рика) М 026 следующих деталей:
1) Подключение переключателя мощности ПМ3(887) для духовки э лектрогазовой плиты Rika (Рика) М 026 /. купить переключатель ПМ3(887) Rika (Рика) М 026. /
2) Подключение переключателя мощности ПМ7 (856) для конфорки электрогазовой плиты Rika (Рика) М 026 /. купить переключатель ПМ7 (856) (Рика) М 026. /
3) Подключение КОНФОРКИ ф 180 1.5/220 с кольцом для электрогазовой плиты Rika (Рика) М 026 /. купить КОНФОРКУ ф 180 1.5/220 Rika (Рика) М 026. /
4) Подключение ТЭНа верхнего с грилем standart для электрогазовой плиты Rika (Рика) М 026 /. купить ТЭН верхнего с грилем standart Rika (Рика) М 026. /
5) Подключение ТЭНа нижнего standart для электрогазовой плиты Rika (Рика) М 026 /. купить ТЭН нижнего standart Rika (Рика) М 026. /
6) Подключение терморегулятора духового шкафа для электрогазовой плиты Rika (Рика) М 026 /. купить терморегулятор духового шкафа Rika (Рика) М 026. /
7) Подключение светосигнальной арматуры для электрогазовой плиты Rika (Рика) М 026 /. купить светосигнальную арматуру Rika (Рика) М 026. /
8) Подключение лампы в сборе для электрогазовой плиты Rika (Рика) М 026 /. купить Лампу в сборе Rika (Рика) М 026. /
Электрическая схема газоэлектрической плиты Rika (Рика) М130 (. Скачать схему. )

Электрическая схема газоэлектрической плиты Rika (Рика) М188 (. Скачать схему. )

Электрическая схема подключения плиты Rika (Рика) М 188 для следующих деталей:
1) Подключение переключателя мощности ПМ3(887) для духовки электрогазовой плиты Rika (Рика) М 188 /. купить переключатель ПМ(887) Rika (Рика) М 188. /
2) Подключение переключателя мощности ПМ7 (856) для конфорки электрогазовой плиты Rika (Рика) М 188 /. купить переключатель ПМ7 (856) (Рика) М 188. /
3) Подключение КОНФОРКИ ф 180 1.5/220 с кольцом для электрогазовой плиты Rika (Рика) М 188 /. купить КОНФОРКУ ф 180 1.5/220 Rika (Рика) М 188. /
4) Подключение ТЭНа верхнего с грилем standart для электрогазовой плиты Rika (Рика) М 188 /. купить ТЭН верхнего с грилем standart Rika (Рика) М 188. /
5) Подключение ТЭНа нижнего standart для электрогазовой плиты Rika (Рика) М 188 /. купить ТЭН нижнего standart Rika (Рика) М 188. /
6) Подключение терморегулятора духового шкафа для электрогазовой плиты Rika (Рика) М 188 /. купить терморегулятор духового шкафа Rika (Рика) М 188. /
7) Подключение светосигнальной арматуры для электрогазовой плиты Rika (Рика) М 188 /. купить светосигнальную арматуру Rika (Рика) М 188. /
8) Подключение переключателя мощности ПМ2 EGO электрогазовой плиты Rika (Рика) М 188 /. купить переключатель ПМ2 EGO Rika (Рика) М 188. /
9) Подключение электровентилятора (конвекция) электрогазовой плиты Rika (Рика) М 188 /. купить электровентилятор Rika (Рика) М 188. /
10) Подключение б лока розжига 3,4-х горелочный электрогазовой плиты Rika (Рика) М 188 /. купить блок розжига 3,4-х горелочный Rika (Рика) М 188. /
11) Подключение л ампы в сборе для электрогазовой плиты Rika (Рика) М 188 /. купить Лампу в сборе Rika (Рика) М 026. /
Электрическая схема газоэлектрической плиты Rika (Рика) В440 (. Скачать схему. )
Подключение электроплиты своими руками: схемы подключения в квартире
Электрическая плита – отличный выбор для современной кухни. При условии правильной установки и использования, прибор будет исправно служить долгие годы. Конечно, для подключения электроплиты можно пригласить квалифицированного мастера, но при желании вы можете сделать все собственными силами и хорошенько сэкономить!
Подключение электроплиты своими руками
Ознакомьтесь с основными требованиями к подключению современных электроплит, существующими схемами, а также руководствами по непосредственному монтажу прибора и его заземлению.
Подключение электроплиты своими руками
Требования к электропроводке
Важно! Прежде чем приступать к каким-либо манипуляциям с проводами и электроприборами, отключите подачу электричества на дом или квартиру.
Современные модели электроплит обычно продаются без шнура в комплекте. Этому есть разумное объяснение: техника безопасности требует, чтобы подключение таких приборов выполнялось посредством высококачественных клеммных колодок, т.е. по т.н. безрозеточному методу. При таком варианте соединения можно увеличивать длину питающего шнура, а вместо автомата для более мощных моделей разрешается устанавливать плавкую вставку.
Для подключения нужно использовать кабель сечением от 4 мм 2 , если его длина не превышает 12 м. В случае же применения более длинного провода, минимально допустимое значение сечения увеличивается до 6 мм 2 . При этом обязательно должна быть выполнена установка отдельного автомата конкретно для плиты.
Выбор сечения кабеля
Подключение через розетку также допустимо. Нужно лишь чтобы прибор был рассчитан на ток от 32 А. Электрические плиты потребляют довольно много энергии, поэтому включать их в простые бытовые розетки запрещается.
Варианты исполнения розеток для электроплиты
Таким образом, требования к подключению электроплиты можно объединить в короткий, но очень важный перечень, включающий в себя следующие положения:
- для подключения прибора используется трехжильный медный кабель сечением от 4 мм 2 либо от 6 мм 2 в зависимости от длины шнура;
- в электрощите устанавливается отдельный автомат для плиты;
- выполняется монтаж устройства защитного отключения;
- плита заземляется доступным методом. О возможных вариантах заземления будет рассказано в конце руководства.
Цены на популярные электрические кухонные плиты
Схемы подключения электроплит
Прежде чем приступать к непосредственной установке прибора, изучите существующие схемы подключения прибора.
Однофазное подключение
Наиболее распространенный вариант. Чаще всего встречается в квартирах многоэтажных домов.
При однофазном подсоединении блок подключения будет иметь следующий вид (см. схему).
Однофазное подключение
Клеммы 1-2-3, а также 4-5 соединяются перемычками из меди сечением 6 мм 2 . Если вы купили современную плиту, необходимые перемычки будут присутствовать в комплекте.
Фазная жила (может быть серой, коричневой либо черной) подключается на клемму под номером 1, 2 либо 3.
Нулевая жила (обычно имеет синий цвет) подсоединяется на 4-ю либо 5-ю клемму. Провод заземления (на схеме он желто-зеленый) соединяется с 6-й клеммой.
Болты клемм нужно затягивать до упора. В случае некачественного соединения клеммы могут обгореть, что приведет к возникновению пожара.
В случае использования розеточного подключения фазную жилу в вилке и розетке подаем на клемму L, нулевая жила пойдет на клемму с маркировкой N, провод же заземления пускаем на соответствующую клемму (маркируется рисунком заземления, буквами РЕ либо же словом earth).
Двухфазное подключение
Редко, но все-таки встречается двухфазное подключение. К примеру, могут присутствовать фазы А и С, а фазы В не будет.
При таком подключении клеммы 1 и 2 нужно соединить перемычкой и через нее подключить фазу А. Фаза же С уходит на 3-ю клемму. Дальнейший порядок подключения остается аналогичным предыдущим способам.
Трехфазное подключение
С трехфазным питанием чаще всего сталкиваются владельцы частных домов. Питающий провод в подобной ситуации будет состоять из 4 либо 5 жил. При этом напряжение между нулем и фазами составит 220 В, а между непосредственно фазами – 380 В.
В подобных условиях электроплита будет подключаться по соответствующей схеме. Фазы А, В и С пойдут на соответствующие клеммы 1, 2 и 3.
Соединение клемм 4, 5 и 6 выполняется аналогично однофазному подключению.
Подключаем электроплиту
Порядок подключения остается аналогичным для сетей с любым количеством фаз. Есть лишь некоторые нюансы, о которых вы узнаете далее. Подключение будем выполнять через розетку.
Первый шаг
Выбираем место для установки прибора. Электроплита классифицируется как электроприемник высокой мощности. Для обеспечения его надежной и безопасной эксплуатации, на ближайшей к плите стене мы устанавливаем штепсельную розетку с заземляющим контактом. При этом токовый номинал розетки должен составлять 32-40 А. В розетке для однофазной электросети контактов будет три, для двух- и трехфазных сетей – пять.
Розетка
Второй шаг
Устанавливаем в щите отдельный автоматический выключатель. Если сеть двух- или трехфазная, ставим трехполосный выключатель на 16 А. В случае работы в однофазной сети монтируем однополосный автомат. Номинал выключателя должен составлять 25-32 А.
Однофазное подключение электроплиты (наиболее распространенное)
Третий шаг
Монтируем провод для подключения электроплиты. В двух- и трехфазных сетях используем кабель 5х2,5 марки ВВГнг, для подключения в однофазном режиме применяем шнур 3х4 аналогичной марки. Тянем провод от электрощита к штепсельной розетке нашей электроплиты.
Кабель силовой ВВГнг 5х2,5
Четвертый шаг
Подключаем провод к розетке в соответствии с одной из приведенных выше схем. Закрываем крышку розетки. Работаем очень внимательно, соблюдая установленные стандарты. Если подключение выполняется с использованием трехжильного кабеля, то коричневый провод (также он может иметь белый цвет) подключаем на фазный разъем установленной электророзетки, синий провод (может быть белым с синей полоской) пускаем на разъем «ноля», а жилу желто-зеленого цвета соединяем с разъемом заземления. Провода пятижильного кабеля чаще всего окрашены в коричневый, белый и красный цвета. Порядок их подключения, равно как и особенности маркировки разъемов розеток, был рассмотрен ранее в описании схем.
Пятый шаг
Соединяем штепсельную вилку с гибким проводом электроплиты. При этом обязательно обращаем внимание на особенности маркировки штепсельной вилки. Подключение элемента выполняется аналогично электророзетке.
Шестой шаг
Подсоединяем гибкий провод к плите. На данном этапе многое зависит от модели устанавливаемого прибора и количества фаз в домашней электросети. В целом же производители приводят схемы подключения их плит в прилагающихся инструкциях либо же на задних крышках агрегатов. Следуем предложенным производителем рекомендациям.
Концы гибкого провода рекомендуется облудить перед установкой в клеммные зажимы – так будет обеспечен максимально надежный контакт.
Седьмой шаг
Разделяем питающий кабель электроплиты в щите, после чего зачищаем концы проводов. Подключаем фазные жилы питающего кабеля на полосные зажимы автомата. Жилу «ноля» соединяем с общей шиной для всех проводников ноля. Не подключенной осталась лишь желто-зеленая жила. В современных системах такие провода соединяются с шинами заземления. В более старых сетях типа TN-C шин заземления нет. Что делать? Читаем далее.
Расстановка перемычек в электроплите Ханса
Руководство по заземлению электроплиты
При работе в сетях старого образца даже квалифицированные специалисты нередко осознанно совершают грубую ошибку, выполняя заземление различных электроприборов на шины рабочего нуля. Такое подсоединение чревато крайне неблагоприятным последствием: если провод ноля оборвется, фаза пройдет через нагрузку прямиком на электроприбор и пользователя ударит током.
Нередко электрики допускают и другую грубую ошибку, путая местами провода фазы и ноля. При выполнении такого «заземления» результат будет аналогичным предыдущему случаю – владельца плиты может ударить током в любой момент. Но и отказываться от зануления тоже нельзя. Существует несколько вариантов решения проблемы. Ознакомьтесь с доступными методами и выберите подходящий для вашей ситуации.
Первый вариант – узнаем, заземлен ли щит квартиры
Для этого идем в ЖЭК или другую обслуживающую организацию. Если представитель компании скажет, что корпус щита надежно заземлен, нам останется лишь подключить желто-зеленый провод к этому корпусу через болт.
Если же представитель обслуживающей организации дает отрицательный ответ либо же путается в своих показаниях, выполнять заземление описанным выше способом нельзя – оно будет либо неэффективным, либо приведет к удару пользователя электроплиты током.
Второй вариант – для жильцов квартир на первом этаже и владельцев домов
Собственники такой недвижимости могут попробовать создать отдельный заземляющий контур. Делается он так:
- за наружной стеной строения в грунт вкапываются стальные пруты диаметром от 16 мм и длиной от 250 см в количестве трех штук;
- вкопанные пруты соединяются полосой стали шириной 4 см и толщиной 0,5 см;
- из электрического щита выводится заземляющий (желто-зеленый) провод, предварительно оконцованный наконечником;
- от заземляющего контура вверх к проводу заземления протягивается проволока-катанка. Рекомендованный диаметр такой проволоки — 0,8 см. На конце катанки предварительно приваривается стальная пластинка с отверстием для болта. Кабель заземления при помощи болта скрепляется с пластиной катанки на высоте минимум 250 см от уровня земли;
- кабель заземления подсоединяется к отдельной нулевой шине в щите. К этой же шине подключается заземляющий провод от установленной плиты.
Как правильно сделать заземление
Как сделать заземление
Важно! Прежде чем принимать заземляющее устройство в эксплуатацию, нужно пригласить специалиста для измерения сопротивления установки. Выполнить такую поверку самостоятельно можно только при наличии специального устройства. Значение сопротивления не должно быть больше 8 Ом.
Таблица. Наименьшие размеры заземлителей и заземляющих проводников, проложенных в земле
Как проверить тестером светодиодную лампу?
Для проверки светодиодной лампы с помощью тестера нужно выполнить следующие шаги:
-
Включите тестер в режим измерения сопротивления.
-
Установите переключатель тестера в положение, при котором он может измерять постоянное напряжение. Обычно это значок «V» на тестере.
-
Подключите отрицательный провод тестера (черный провод) к любому контакту цоколя светодиодной лампы.
-
Подключите положительный провод тестера (красный провод) к другому контакту цоколя светодиодной лампы.
-
Включите светодиодную лампу в сеть и проверьте напряжение на тестере. Если светодиодная лампа работает, то на тестере будет показываться напряжение, близкое к напряжению в сети.
-
Если светодиодная лампа не работает, то на тестере будет показываться ноль или очень маленькое напряжение. Это означает, что светодиодная лампа не проводит электричество и возможно вышла из строя.
-
Чтобы проверить работоспособность светодиодной лампы более точно, можно использовать тестер в режиме измерения диодов. Для этого нужно установить переключатель тестера в режим измерения диодов (обычно это значок «diode» на тестере) и повторить вышеописанные шаги.
Важно отметить, что перед тем как проверять светодиодную лампу с помощью тестера, убедитесь, что тестер работает правильно и настроен на правильный диапазон измерений напряжения и сопротивления. Также убедитесь, что вы правильно подключили светодиодную лампу к тестеру, чтобы избежать повреждения тестера или светодиодной лампы.
